Приветствую Вас Гость :: RSS :: Четверг :: 23.04.2026 ::
Реклама на сайте
Меню портала

Форма входа

Мини-чат

[ Новые сообщения · Участники · Правила форума · Поиск · RSS ]

  • Страница 1 из 1
  • 1
ПНР автоматики ИТП и УУТЭ
s3rious29Дата: Вторник, 28.11.2023, 12:20 | Сообщение # 1
Рядовой
Награды:
0  
Группа: Проверенные
Сообщений: 7
Репутация: 0
Статус: Offline
Коллеги, добрый день!

Составляю смету на пусконаладочные работы ИТП для экспертизы, новое строительство, монтирует и ПНРит одна организация.
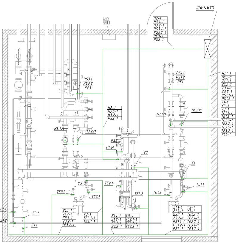
По проекту в ИТП три контура теплообмена ГВС, Вентиляция, Отопление, которые управляются микропроцессорными модулями TTR-02A и TTR-01A 3 шт., по показаниям от датчиков температуры воды, и наружного воздуха. Также в контурах установлены циркуляционные насосы 6 шт., которые подключены к модулям через преобразователями частоты vf-51-p1k5, имеющими кроме силовой части также и плату управления с ПО те по сути те же микроконтроллеры, согласно паспорта преобразователя vf-51-p1k5.

ПНР автоматики ИТП:
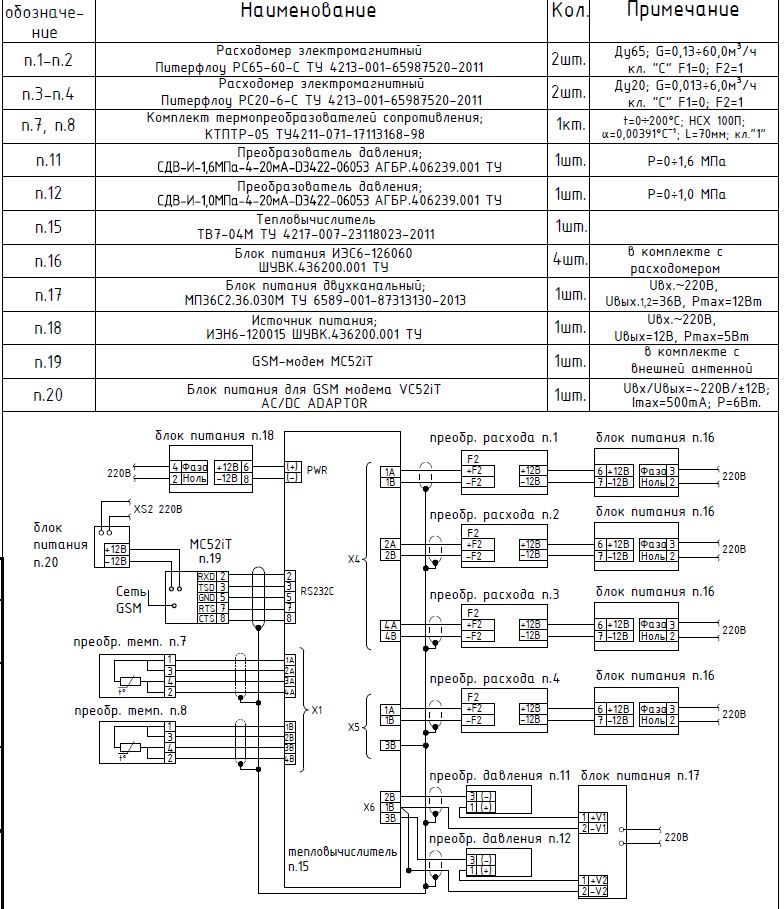
ФЕРп01-05-028-05 Программируемый микропроцессорный комплекс                                                      шт 3
ФЕРп01-09-013-01 Контур систем автоматического регулирования параметров: 1 с числом органов настройки до 5       шт 1
ФЕРп01-09-013-04 Контур систем автоматического регулирования параметров: до 4 с числом органов настройки до 20   шт 2
Вопрос
1. Можно ли применять расценку ФЕРп01-05-028-05 совместно с ФЕРп01-09-013-01 ?
2. Если да то количество работ по расценке ФЕРп01-05-028-05 принять 3 шт. (модули TTR-02A) или 9 шт. (3 модуля + 6 преобразователей)
3. или вовсе заменить все на расценки из ФЕРп02 ?

ПНР УУТЭ
ФЕРп02-01-002-01 Автоматизированная система управления II категории технической сложности с количеством каналов (Кобщ): 2   система 1
ФЕРп02-01-002-02 Автоматизированная система управления II категории технической сложности с количеством каналов (Кобщ):      канал 7
за каждый канал свыше 2 до 9 добавлять к расценке 02-01-002-01
II категория тк "используются программируемые логические контроллеры (PLC), устройства внутрисистемной связи, микропроцессорные интерфейсы оператора (панели отображения)", согласно ТЧ к ФЕРп02, хотя в пособии на ПНР АСУ ТП от Горчякина в пример №13 принята I категория.
Количество каналов: 4 расходомера кл.С принимю как класс точности больше 1; 2 преобр. давл. кл.0,5; 2 преобр. темп. кл.1; плюс 1 канал GSM-модем; итого 9 информационных аналоговых каналов.

Коэффициент «метрологической сложности» системы (М)
КаиМ1=7 ;   КаиМ2=2 ;   КаиМ3=0 ;   Каи=КаиМ1+КаиМ2+КаиМ3=9

М = (1+0.14 × КаиМ2 : Каи) × (1+0.51 × КаиМ3 : Каи) = (1+0.14 × 2 : 9) × (1+0.51 × 0 : 9) = 1.03111 × 1 = 1.03111

Коэффициент «развитости информационных функций» системы (И)
КобщиИ1=0;  КобщиИ2=9;  КобщиИ3=0;  Кобщи=КобщиИ1+КобщиИ2+КобщиИ3=9

И = (1+0.51 × КобщиИ2 : Кобщи) × (1+1.03 × КобщиИ3 : Кобщи) = (1+0.51 × 9 : 9) × (1+1.03 × 0 : 9) = 1.51 × 1 = 1.51

Коэффициент ФМИ
Каи=9 ;   Кобщи=9 ;   М=1.03111 ;   И=1.51

ФМИ = 0.5 + Каи : Кобщи × М × И = 0.5 + 9 : 9 × 1.03111 × 1.51 = 2.05698

Коэффициент «развитости управляющих функций» (ФУ)
КобщуУ1=0 ;   КобщуУ2=0 ;   КобщуУ3=0 ;   Кобщу=КобщуУ1+КобщуУ2+КобщуУ3=0

У = (1+0.61 × КобщуУ2 : Кобщу) × (1+1.39 × КобщуУ3 : Кобщу) = (1+0.61 × 0 : 0) × (1+1.39 × 0 : 0) = 1 × 1 = 1

Кау=0 ;  Кду=0 ;  Кобщ=9 ;  У =1

ФУ = 1+(1.31 × Кау + 0.95 × Кду) : Кобщ × У = 1+(1.31 × 0 + 0.95 × 0) : 9 × 1 = 1

Расценка (Р) для системы.
P = Pб × (ФМИ × ФУ) = PIIб × (2.05698 × 1) = PIIб × 2.05698

Вопрос
4. Прошу подсказать какие еще факторы/коэффициенты нужно/можно учесть или ошибки в расчете к ФЕРп02
5. Правомерно ли применить еще в монтажной части наладка GSM модема ФЕРм10-06-068-15 Настройка простых сетевых трактов: конфигурация и настройка сетевых компонентов (мост, маршрутизатор, модем и т.п.)

Также плюсом беру ПНР системы отопления:
ФЕРп07-10-010-02 Разработка мероприятий по регулировке теплопотребляющей системы здания, тепловая нагрузка: до 0,4 Гкал/ч система 1
ФЕРп07-10-010-03 Разработка мероприятий по регулировке теплопотребляющей системы здания, тепловая нагрузка: до 0,6 Гкал/ч система 2
ФЕРп07-10-012-02 Регулировка теплопотребляющей системы здания, тепловая нагрузка: до 0,4 Гкал/ч                           система 1
ФЕРп07-10-012-03 Регулировка теплопотребляющей системы здания, тепловая нагрузка: до 0,6 Гкал/ч                           система 2
Вопрос
5.ФЕРп07-10-010-02 должна быть в РД или ее монтажники разрабатывают ?
6.Стоит ли взять еще "ФЕРп07-10-011-01 Определение готовности к регулировке теплопотребляющей системы здания" или перебор ?

Кто знает как или имеет опыт осмечивания?
Прошу помочь разобраться с расценками на пусконаладочные работы ИТП, и расчетом коэффициентов к ФЕРп02.
Прикрепления: 3432762.png (402.9 Kb) · 6278095.jpg (121.4 Kb) · 5106009.jpg (113.0 Kb) · 0536040.jpg (137.1 Kb) · 3550541.jpg (170.9 Kb)


Сообщение отредактировал s3rious29 - Вторник, 28.11.2023, 12:31
 
abk63Дата: Вторник, 28.11.2023, 18:16 | Сообщение # 2
Сметчик
Оренбург
Награды:
413  
Группа: Проверенные
Город: Оренбург
Сообщений: 20516
Репутация: 740
Статус: Offline
грубанули вы слехка. особенно с п01... трудозатраты посмотрите...


Сметная лавка. Беседы о сметах и не только...
Сметный портал в ТГ
Сметчикам - про ПИР, ПНР и не только...
 
s3rious29Дата: Среда, 29.11.2023, 10:46 | Сообщение # 3
Рядовой
Награды:
0  
Группа: Проверенные
Сообщений: 7
Репутация: 0
Статус: Offline
Считал так, на 3 контура требуется ПНР - ГВС, Вентиляция, Отопление те берем расценку для первого контура ФЕРп01-09-013-01, далее по ТЧ к ФЕРп01

"1.1.80. Затраты труда на пусконаладочные работы для многоконтурных систем автоматического регулирования рассчитываются суммированием затрат на наладку первого контура по
расценкам 01-09-013-01 и 01-09-013-02 и затрат на наладку каждого последующего контура по расценкам 01-09-013-03 и 01-09-013-04 отдела 9; при этом учитываются только органы настройки, которые входят в данный контур."


добиваем до 3 трех контуров расценкой ФЕРп01-09-013-04

формально ФЕРп01-05-028-05 Программируемый микропроцессорный комплекс - тоже подходит

abk63, Что именно не так? По сметному расчету п01 сейчас примерно 471 чел./часов по ФЕРп01. Сколько по факту не знаю, программы ПНР нет, чтобы калькулировать.


Сообщение отредактировал s3rious29 - Среда, 29.11.2023, 10:51
 
abk63Дата: Среда, 29.11.2023, 15:35 | Сообщение # 4
Сметчик
Оренбург
Награды:
413  
Группа: Проверенные
Город: Оренбург
Сообщений: 20516
Репутация: 740
Статус: Offline
Цитата s3rious29 ()
abk63, Что именно не так?
ФЕРп сборника 1«Электротехнические устройства» предназначены для определения затрат на
выполнение пусконаладочных работ по электротехническим устройствам.


Сметная лавка. Беседы о сметах и не только...
Сметный портал в ТГ
Сметчикам - про ПИР, ПНР и не только...
 
s3rious29Дата: Четверг, 30.11.2023, 11:38 | Сообщение # 5
Рядовой
Награды:
0  
Группа: Проверенные
Сообщений: 7
Репутация: 0
Статус: Offline

Коллеги, кто разбирается в АСУ, прошу помочь

как расценить систему управления эл.двиг. насоса, на картинке?

ФЕРп02 категория сложности 2, плюс подсистема категория 1
или все по ФЕРп02 категория 2

картинка в приложении

Добавлено (30.11.2023, 15:21)
---------------------------------------------
Вот что нашел

3. Рекомендованный журналом № 1 за 2009 год (вопрос 9.08) ответ для схемы использования частотного преобразователя (ЧП) для регулирования скорости электропривода с постоянной скоростью вращения формируется аналоговое управляющее воздействие - 1 группа каналов по Сборнику № 2, сам же ЧП
с приводом оценивается по Сборнику № 1, как входящий в электротехническую часть проекта. Важно только при подсчёте коэффициента развитости управляющих функций системы правильно выбрать один из 3-х коэффициентов, характеризующих контур управления с использованием электропривода с постоянной скоростью вращения.

Источник:  Консультации и разъяснения №1 2015 (77)

Прикрепления: 6468099.jpg (43.3 Kb)


Сообщение отредактировал s3rious29 - Четверг, 30.11.2023, 11:52
 
  • Страница 1 из 1
  • 1
Поиск:

Сервисы



Телеграмм чат


Администратор
icq: 264-585-675
e-mail: andreyka_s@list.ru
web: www.semushin.name


Согласно п. 4.5 Правил Сметного портала запрещено размещение материалов попадающих под действие Статьи 1259 и Статьи 1270 ГК РФ, на которые распространяются авторские права правообладателя, без согласования с ним. В случае обнаружения материалов нарушающих права правообладателя просим сообщить через форму обратной связи.
Семушин А.А.
Яндекс.Метрика