Приветствую Вас Гость :: RSS :: Суббота :: 25.04.2026 ::
Реклама на сайте
Меню портала

Форма входа

Мини-чат

[ Новые сообщения · Участники · Правила форума · Поиск · RSS ]

  • Страница 7 из 9
  • «
  • 1
  • 2
  • 5
  • 6
  • 7
  • 8
  • 9
  • »
Как расценить сборку щита?
SaintveritasДата: Вторник, 24.06.2014, 14:24 | Сообщение # 91
Рядовой
Йошкар-Ола
Награды:
0  
Группа: Проверенные
Город: Йошкар-Ола
Сообщений: 15
Репутация: 0
Статус: Offline
спасиб, попробую разобраться
 
-Катька-Дата: Понедельник, 30.06.2014, 13:36 | Сообщение # 92
Сержант
Чебоксары
Награды:
0  
Группа: Проверенные
Город: Чебоксары
Сообщений: 23
Репутация: 0
Статус: Offline
Цитата
Цитата -Катька-Доброе утро! В монтажных работах слабо разбираюсь, прошу помочь. Проверьте, пожалуйста, верно ли применены расценки. 1. Щит учета и распределения электроэнергии ЩУРн-3/42зо-1 36 УХЛ3 IP31 - ТЕРм08-03-572-03. 2. Вводной автоматический выключатель 3p., Iр=100А, хар. C; автоматический выключатель 1p. Iр=25А, хар. C; фидерный автоматический выключатель 3p., Iр=40А, хар. C - беру ТЕРм08-03-526-01 (02). 3. Ограничитель импульсных перенапряжений 3p. ОПС1-B 3Р - ТЕРм08-01-015-10. 4. Контактор малогабаритный КМИ-10960  - ТЕРм08-03-529-04. Какую расценки применить на дистанционный независимый расцепитель 230 В РН47 даже не знаю. Подскажите, пожалуйста.


Добрый день! Изучила тему. Окончательно запуталась, пришла к следующему:
1 - ТЕРм08-03-573-04
2 - ТЕРм08-03-575-01
3, 4 - оставляю ТЕРм08-01-015-10 и ТЕРм08-03-529-04 соответственно

А с дистанционным независимым расцепителем 230 В РН47 я не разобралась. Помогите, пожалуйста.


Сообщение отредактировал -Катька- - Понедельник, 30.06.2014, 13:37
 
veronika-2Дата: Понедельник, 30.06.2014, 13:38 | Сообщение # 93
Генералиссимус
Ростов-на-Дону
Награды:
449  
Группа: Модераторы
Город: Ростов-на-Дону
Сообщений: 21653
Репутация: 809
Статус: Offline
-Катька-, по п. 3 расценка скорее всего в корне неверная. попробуйте поиском по сайту воспользоваться


Психологические консультации онлайн.
Мой телеграмм
https://t.me/psyrnd2023
Вконтакте
https://vk.com/public214093226
 
-Катька-Дата: Понедельник, 30.06.2014, 13:52 | Сообщение # 94
Сержант
Чебоксары
Награды:
0  
Группа: Проверенные
Город: Чебоксары
Сообщений: 23
Репутация: 0
Статус: Offline
veronika-2, нашла ТЕРм08-01-066-01. А вот как расценить дистанционный независимый расцепитель 230 В РН47?
 
veronika-2Дата: Понедельник, 30.06.2014, 13:53 | Сообщение # 95
Генералиссимус
Ростов-на-Дону
Награды:
449  
Группа: Модераторы
Город: Ростов-на-Дону
Сообщений: 21653
Репутация: 809
Статус: Offline
Цитата -Катька- ()
нашла ТЕРм08-01-066-01.

сомнительно что-то... что это верно


Психологические консультации онлайн.
Мой телеграмм
https://t.me/psyrnd2023
Вконтакте
https://vk.com/public214093226
 
SarmacДата: Вторник, 01.07.2014, 07:16 | Сообщение # 96
Генерал-лейтенант
Курган
Награды:
13  
Группа: Проверенные
Город: Курган
Сообщений: 765
Репутация: 27
Статус: Offline
-Катька-,
    1. ФЕРм08-03-573-04;
    2. В щите ЩУРн-3/42зо-1 36 УХЛ3 IP31 имеется монтажная панель и модульные группы, в зависимости от того, куда будет ставиться автомат - ФЕРм08-03-526-02 или ФЕРм08-03-575-01;
    3. - 4. ФЕРм08-03-575-01 - и то и другое устанавливается на DIN-рейку.


Когда у общества нет цветовой дифференциации штанов — то нет цели! А когда нет цели, то общество обречено на вымирание
 
-Катька-Дата: Вторник, 01.07.2014, 15:05 | Сообщение # 97
Сержант
Чебоксары
Награды:
0  
Группа: Проверенные
Город: Чебоксары
Сообщений: 23
Репутация: 0
Статус: Offline
Sarmac, спасибо большое!
 
JohnnyKДата: Среда, 27.08.2014, 14:45 | Сообщение # 98
Рядовой
Углич
Награды:
0  
Группа: Проверенные
Город: Углич
Сообщений: 15
Репутация: 5
Статус: Offline
Подскажите по эл. щиту - монтирую щит, ставлю автоматы, присоединяю линии.

Шкаф ставлю по ТЕРм08-03-572-03, я так понял установка автоматов включена в расценку. (состав работ:уст-ка конструкций, установка блоков, заземление). Разводку по автоматам делаю по расценке ТЕРм08-03-574-01. В составе работ:комплектование, присоединение. В ТЧ: 1.8.67. Расценки табл. 08-03-574 предназначены для определения затрат наподключение жил кабелей или проводов к зажимам аппаратов и приборов,
установленных на устройствах раздела 4.

Я правильно понимаю, что ТЕРм08-03-574-01 при монтаже данного щита не правильно применяется согласно ТЧ? Какую тогда применить?

Или правильнее шкаф по ТЕРм08-03-573-04, автоматы по ТЕРм08-03-575-01 (присоединение в расценке)? Автоматы из расценок ТЕРм08-03-526 для щита не очень подходят, т.к. в материалах есть Конструкции стальные индивидуальные решетчатые сварные массой до 0,1 т, а в составе работ Изготовление и установка конструкций.

Подскажите, как правильно (поиском пользовался).

Добавлено (27.08.2014, 14:45)
---------------------------------------------
Нашел тему - http://oren-rccs.ru/forum/12-16-1
В моем случае:
1. щит ТЕРм08-03-573-04
2. автоматы ТЕРм08-03-575-01

Для подключения жил и проводов внешней разводки применяются расценки группы ТЕРм08-03-574(по ссылке выше). Но ведь это для 4 раздела. Как быть?



Сообщение отредактировал JohnnyK - Среда, 27.08.2014, 14:14
 
vladnikДата: Среда, 27.08.2014, 15:10 | Сообщение # 99
Ценовой инженер
СПб-ЛО
Награды:
285  
Группа: Проверенные
Город: СПб-ЛО
Сообщений: 14460
Репутация: 349
Статус: Offline
Цитата JohnnyK ()
для 4 раздела
=расценки 3-571-3-575
 
JohnnyKДата: Среда, 27.08.2014, 15:23 | Сообщение # 100
Рядовой
Углич
Награды:
0  
Группа: Проверенные
Город: Углич
Сообщений: 15
Репутация: 5
Статус: Offline
vladnik
извините, я начинающий, напишите. пожалуйста чуть подробнее. (щит не заводского исполнения, т.е. отдельно бокс, отдельно автоматы и их коммутация)
 
Tanja55Дата: Среда, 27.08.2014, 15:39 | Сообщение # 101
Генералиссимус
Санкт-Петербург
Награды:
342  
Группа: Проверенные
Город: Санкт-Петербург
Сообщений: 11323
Репутация: 339
Статус: Offline
Цитата abk63 ()
куда же подробнее http://cmet4uk.ru/forum/33-4008-1
smile


Работаю в программе А0
 
JohnnyKДата: Среда, 27.08.2014, 15:46 | Сообщение # 102
Рядовой
Углич
Награды:
0  
Группа: Проверенные
Город: Углич
Сообщений: 15
Репутация: 5
Статус: Offline
ТЕРм08-03-573-04 Шкаф (пульт) управления навесной, высота, ширина и глубина, мм, до: 600х600х3502 из раздела 4, так? И можно применить ТЕРм08-03-574?
 
Tanja55Дата: Среда, 27.08.2014, 15:47 | Сообщение # 103
Генералиссимус
Санкт-Петербург
Награды:
342  
Группа: Проверенные
Город: Санкт-Петербург
Сообщений: 11323
Репутация: 339
Статус: Offline
Цитата JohnnyK ()
ТЕРм08-03-573-04 Шкаф (пульт) управления навесной, высота, ширина и глубина, мм, до: 600х600х3502 из раздела 4, так? И можно применить ТЕРм08-03-574?
можно


Работаю в программе А0
 
JohnnyKДата: Среда, 27.08.2014, 15:54 | Сообщение # 104
Рядовой
Углич
Награды:
0  
Группа: Проверенные
Город: Углич
Сообщений: 15
Репутация: 5
Статус: Offline
Вот я тормоз... Ведь поменял ТЕРм08-03-572-03 на ТЕРм08-03-573-04 и не спетрил, что раздел-то уже другой... Спасибо большое!

Еще вопрос по коммутации - на форуме проскакивало - ТЕРм08-03-574 для внешних подключений.

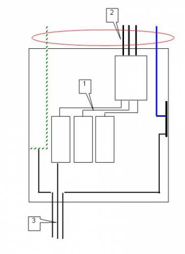
Я правильно понимаю, что учитываются только жилы 2 и 3 на рисунке, т.е. всего 8 жил? А вся внутренняя коммутация учитывается уст-кой автомата?
Прикрепления: 0846514.jpg (17.7 Kb)
 
Galina53Дата: Среда, 27.08.2014, 19:59 | Сообщение # 105
Генералиссимус
Кемерово
Награды:
242  
Группа: Проверенные
Город: Кемерово
Сообщений: 11640
Репутация: 207
Статус: Offline
Цитата abk63 ()
Цитата JohnnyK ()Я правильно понимаю, что учитываются только жилы 2 и 3 на рисунке, т.е. всего 8 жил? А вся внутренняя коммутация учитывается уст-кой автомата?правильно

abk63, какого автомата? Может шкафа? (Не придираюсь, просто не поняла).
 
  • Страница 7 из 9
  • «
  • 1
  • 2
  • 5
  • 6
  • 7
  • 8
  • 9
  • »
Поиск:

Сервисы



Телеграмм чат


Администратор
icq: 264-585-675
e-mail: andreyka_s@list.ru
web: www.semushin.name


Согласно п. 4.5 Правил Сметного портала запрещено размещение материалов попадающих под действие Статьи 1259 и Статьи 1270 ГК РФ, на которые распространяются авторские права правообладателя, без согласования с ним. В случае обнаружения материалов нарушающих права правообладателя просим сообщить через форму обратной связи.
Семушин А.А.
Яндекс.Метрика