Приветствую Вас Гость :: RSS :: Среда :: 24.12.2025 ::
Реклама на сайте
Меню портала

Форма входа

Мини-чат

[ Новые сообщения · Участники · Правила форума · Поиск · RSS ]

  • Страница 1 из 1
  • 1
Смета ПНР электрики
ivan-80sДата: Четверг, 17.01.2013, 17:28 | Сообщение # 1
Полковник
Москва
Награды:
5  
Группа: Проверенные
Город: Москва
Сообщений: 166
Репутация: 3
Статус: Offline
Здравствуйте форумчане. Вот первый раз составил смету на ПНР системы электроснабжения чиллера и фанкойлов, прошу ее прокомментировать и указать на недочеты и ошибки. Заранее спасибо.

Добавлено (17.01.2013, 17:28)
---------------------------------------------
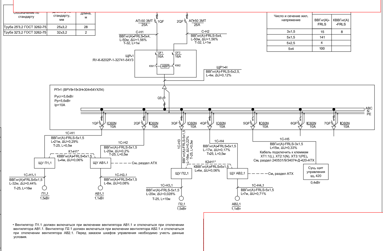
Выложил схему только на 1 шкаф ВРУ, остальные шкафы в принципе идентичные, так что достаточно замечаний по подразделу щит ВРУ

Прикрепления: 2991664.xls (342.5 Kb) · _2..pdf (151.9 Kb)


Сообщение отредактировал ivan-80s - Четверг, 17.01.2013, 17:17
 
ivan-80sДата: Пятница, 18.01.2013, 09:47 | Сообщение # 2
Полковник
Москва
Награды:
5  
Группа: Проверенные
Город: Москва
Сообщений: 166
Репутация: 3
Статус: Offline
Спасибо Алексей.
3-х фазное напряжение только у Щита ВРУ, поэтажные щитки отходящие линии уже 1 фазное напряжение, значит у этажных щитков не нужно делать фазировку как я понимаю? И общее кол-во фазировок будет 16?
С 13 отделом буду разбираться.
 
tanjhaДата: Вторник, 26.02.2013, 10:42 | Сообщение # 3
Сержант
Награды:
1  
Группа: Проверенные
Сообщений: 35
Репутация: 0
Статус: Offline
подскажите плиз по пусконаладке как объемы вообще считать, откуда их брать? выложу раздел сметы - подскажите если надо будет всю смету выложу.
Прикрепления: 8804390.xls (37.5 Kb)
 
МарикаДата: Вторник, 26.02.2013, 11:18 | Сообщение # 4
Генералиссимус
Тюмень
Награды:
201  
Группа: Модераторы
Город: Тюмень
Сообщений: 5416
Репутация: 230
Статус: Offline
tanjha, по программе пусконаладочных работ


Голова - предмет темный. Исследованию не подлежит.

Мудрость приходит с годами. Но иногда годы приходят одни

(работаю Гранд-смета, РИК)
 
sergey543Дата: Пятница, 05.07.2013, 06:18 | Сообщение # 5
Рядовой
Уфа
Награды:
0  
Группа: Пользователи
Город: Уфа
Сообщений: 1
Репутация: 0
Статус: Offline
Подскажите пожалуйста, объемы на пусконаладочные работы кто составляет сметчик или электрик? И по каким документам?
 
Лейсан0966Дата: Среда, 28.11.2018, 00:04 | Сообщение # 6
Рядовой
Санкт-Петербург
Награды:
0  
Группа: Проверенные
Город: Санкт-Петербург
Сообщений: 2
Репутация: 0
Статус: Offline
Здравствуйте форумчане. Передали на проверку смету на ПНР, ранее с такими работами не сталкивалась, прошу вашей помощи
Заранее спасибо.
проектом предусмотрена аварийная вытяжная вентиляция и приточная, аварийная вкл при достижении НКПР 10% кислоты, приточная для компенсации удаляемого воздуха.

Добавлено (28.11.2018, 08:52)
---------------------------------------------
abk63, посмотрите пожалуйста

Прикрепления: 0501505.xlsx (108.5 Kb) · 4934952.png (55.4 Kb) · 1209550.png (145.8 Kb)


Сообщение отредактировал Лейсан0966 - Среда, 28.11.2018, 00:06
 
abk63Дата: Среда, 28.11.2018, 09:21 | Сообщение # 7
Сметчик
Оренбург
Награды:
413  
Группа: Проверенные
Город: Оренбург
Сообщений: 20512
Репутация: 740
Статус: Offline
Цитата Лейсан0966 ()
abk63, посмотрите пожалуйста
посмотрел...


Сметная лавка. Беседы о сметах и не только...
Сметный портал в ТГ
Сметчикам - про ПИР, ПНР и не только...
 
Лейсан0966Дата: Среда, 28.11.2018, 09:46 | Сообщение # 8
Рядовой
Санкт-Петербург
Награды:
0  
Группа: Проверенные
Город: Санкт-Петербург
Сообщений: 2
Репутация: 0
Статус: Offline
abk63, что скажете?
 
abk63Дата: Среда, 28.11.2018, 10:14 | Сообщение # 9
Сметчик
Оренбург
Награды:
413  
Группа: Проверенные
Город: Оренбург
Сообщений: 20512
Репутация: 740
Статус: Offline
Цитата Лейсан0966 ()
abk63, что скажете?
здесь ничего...


Сметная лавка. Беседы о сметах и не только...
Сметный портал в ТГ
Сметчикам - про ПИР, ПНР и не только...
 
  • Страница 1 из 1
  • 1
Поиск:

Сервисы



Телеграмм чат


Администратор
icq: 264-585-675
e-mail: andreyka_s@list.ru
web: www.semushin.name


Согласно п. 4.5 Правил Сметного портала запрещено размещение материалов попадающих под действие Статьи 1259 и Статьи 1270 ГК РФ, на которые распространяются авторские права правообладателя, без согласования с ним. В случае обнаружения материалов нарушающих права правообладателя просим сообщить через форму обратной связи.
Семушин А.А.
Яндекс.Метрика