Приветствую Вас Гость :: RSS :: Понедельник :: 23.02.2026 ::
Реклама на сайте
Меню портала

Форма входа

Мини-чат

[ Новые сообщения · Участники · Правила форума · Поиск · RSS ]

  • Страница 1 из 2
  • 1
  • 2
  • »
Нужна срочная проверка
Gae4kaДата: Четверг, 15.03.2012, 13:22 | Сообщение # 1
Рядовой
Омск
Награды:
2  
Группа: Проверенные
Город: Омск
Сообщений: 12
Репутация: 0
Статус: Offline
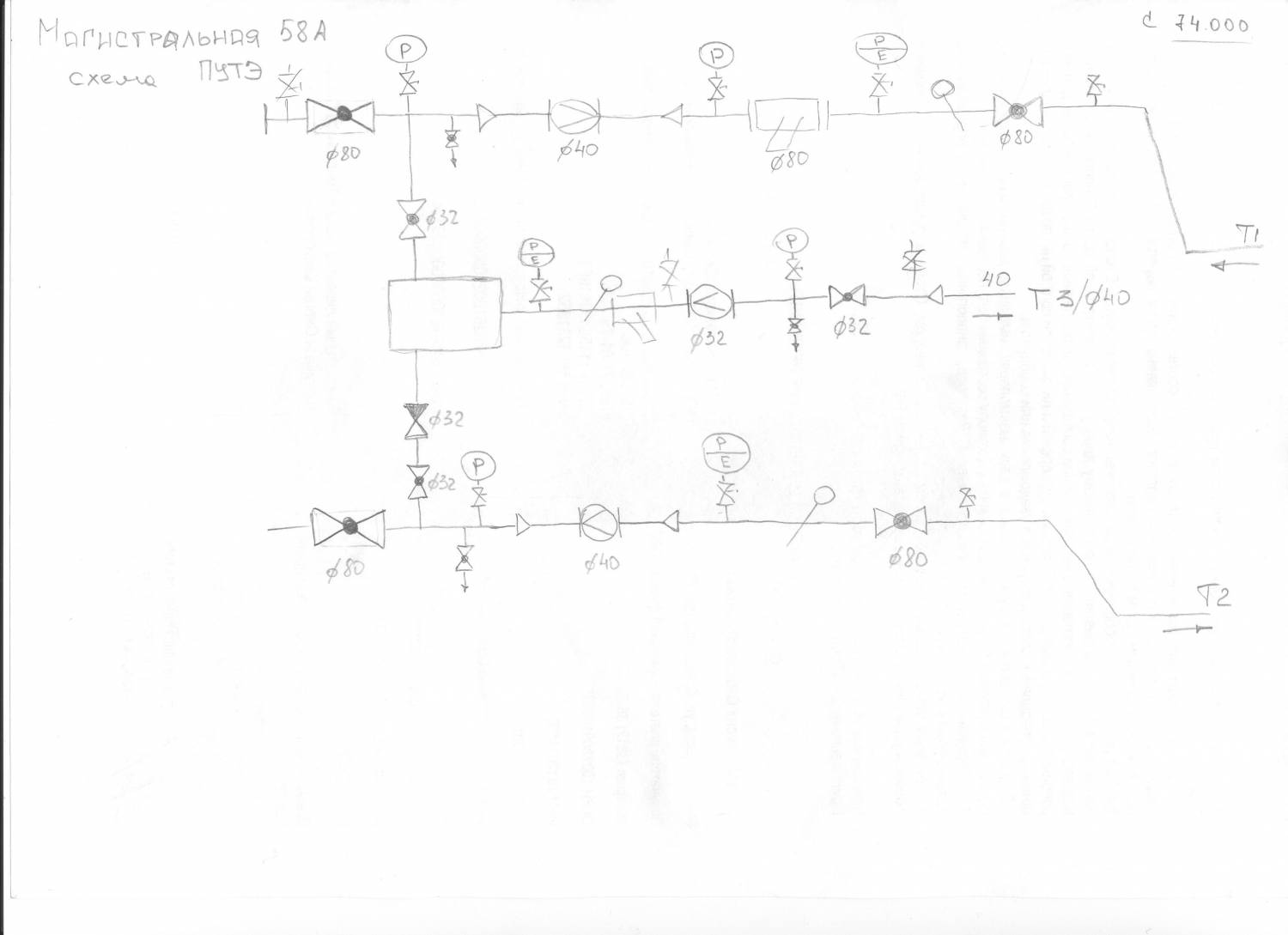
Помогите, пожалуйста, я начинающий сметчик, работаю одна, без наставника, подсказать некому кроме вас. Проверьте ,пожалуйста, смету на установку узла учета тепловой энергии. Схему прилагаю к смете. И еще такой вопрос - можно ли в эту смету включить еще ПНР или на них отдельную смету нужно составить?
Прикрепления: 9061190.xls (96.0 Kb) · 3877224.jpg (61.5 Kb)


 
abk63Дата: Четверг, 15.03.2012, 13:26 | Сообщение # 2
Сметчик
Оренбург
Награды:
413  
Группа: Проверенные
Город: Оренбург
Сообщений: 20514
Репутация: 740
Статус: Offline
Quote (Gae4ka)
можно ли в эту смету включить еще ПНР


конечно можно, отдельным разделом, если индексы на ПНР сможете к ним индексы применить.
не у всех начинающих это с первого раза получается. так и норовят СМРовские к ним прицепить, что крайне обидно наладчикам бывает biggrin


Сметная лавка. Беседы о сметах и не только...
Сметный портал в ТГ
Сметчикам - про ПИР, ПНР и не только...
 
Gae4kaДата: Четверг, 15.03.2012, 13:38 | Сообщение # 3
Рядовой
Омск
Награды:
2  
Группа: Проверенные
Город: Омск
Сообщений: 12
Репутация: 0
Статус: Offline
а где нужно смотреть эти индексы? Я пробовала ПНР вписать отдельным разделом. Применяла индекс на ОЗП 17,08 и коэффициенты 2,01 на норму затрат труда и 1,225 - на снижение производительности. Сумма получилась около 46000, мне показалось это много и директор мой был шокирован no


 
Galina53Дата: Четверг, 15.03.2012, 13:40 | Сообщение # 4
Генералиссимус
Кемерово
Награды:
242  
Группа: Проверенные
Город: Кемерово
Сообщений: 11640
Репутация: 207
Статус: Offline
Quote (Gae4ka)
а где нужно смотреть эти индексы?

Ваш РЦЦС выпускает индексы.
 
МарикаДата: Четверг, 15.03.2012, 13:41 | Сообщение # 5
Генералиссимус
Тюмень
Награды:
201  
Группа: Модераторы
Город: Тюмень
Сообщений: 5416
Репутация: 230
Статус: Offline
а что у вас в терах не учтена районка?
и почему ресурсы минусуете из расценок?


Голова - предмет темный. Исследованию не подлежит.

Мудрость приходит с годами. Но иногда годы приходят одни

(работаю Гранд-смета, РИК)
 
Galina53Дата: Четверг, 15.03.2012, 13:42 | Сообщение # 6
Генералиссимус
Кемерово
Награды:
242  
Группа: Проверенные
Город: Кемерово
Сообщений: 11640
Репутация: 207
Статус: Offline
Quote (Gae4ka)
1,225 - на снижение производительности

А это что такое? Откуда?
 
Gae4kaДата: Четверг, 15.03.2012, 13:56 | Сообщение # 7
Рядовой
Омск
Награды:
2  
Группа: Проверенные
Город: Омск
Сообщений: 12
Репутация: 0
Статус: Offline
Quote (СМЕТАНКА53)

А это что такое? Откуда?

Все пусконаладочные работы условно разбиваются на три этапа: -подготовительные работы (25%)-это проверка документации, правильности монтажа, правильности установки приборов и подключения и т.д, т.е. работы при которых напряжение на приборы узла учета не подаются;
- автономная наладка (55%)- это включение прибора, проверка настроек вычислителя, проверка уровня сигнала с первичных преобразователей, настройка этих сигналов или перемонтаж фрагментов системы при необходимости, то есть получение данных с приборов учета соответствующих параметрам теплоносителя...;
- комплексная наладка (20%) - это наладка приборов учета совместно с системой теплоснабжения: поиск и устранение утечек и подмесов, рекомендации по регулировке системы регулирования теплоснабжения и т.д
Автономная и комплексная наладка проводится с подачей напряжения на приборы учета тепловой энергии (Согласно МДС 81-40.2006 п.2.1 табл.2 п.5 Кспт=1,3)
Суммарный коэффициент снижения производительности труда:
Кспт=0,25*1+(0,55+0,2)*1,3=1,225 -это то что мы используем в расчетах ПНР

Добавлено (15.03.2012, 13:50)
---------------------------------------------

Quote (Марика)
а что у вас в терах не учтена районка?

это вы про районный коэффициент 15%? Не знаю. мне все говорили учитывать

Добавлено (15.03.2012, 13:56)
---------------------------------------------

Quote (Марика)
и почему ресурсы минусуете из расценок?

Мы собираем линии на производстве и по месту монтируем уже собранные прямые линии, поэтому минусую машины


 
МарикаДата: Четверг, 15.03.2012, 13:58 | Сообщение # 8
Генералиссимус
Тюмень
Награды:
201  
Группа: Модераторы
Город: Тюмень
Сообщений: 5416
Репутация: 230
Статус: Offline
трубы пвх - это не металлорукав.
про автоматы существуют темы.
и сантехнические расценки не все нравятся, но нужно внимательно смотреть, а времени на это нет
Quote (Gae4ka)
Мы собираем линии на производстве и по месту монтируем уже собранные прямые линии, поэтому минусую машины

eek
Quote (Gae4ka)
районный коэффициент 15%? Не знаю. мне все говорили учитывать

так почитайте общие указания. в большенстве регионов районка учтена в расценках


Голова - предмет темный. Исследованию не подлежит.

Мудрость приходит с годами. Но иногда годы приходят одни

(работаю Гранд-смета, РИК)
 
Gae4kaДата: Пятница, 16.03.2012, 12:50 | Сообщение # 9
Рядовой
Омск
Награды:
2  
Группа: Проверенные
Город: Омск
Сообщений: 12
Репутация: 0
Статус: Offline
такой еще вопросик, можно ли в смете скинуть еще хотя б 5 тыс.? какие позиции можно убрать?


 
ОлимпиадаДата: Понедельник, 19.03.2012, 17:57 | Сообщение # 10
Полковник
Омск
Награды:
9  
Группа: Проверенные
Город: Омск
Сообщений: 188
Репутация: 9
Статус: Offline
Gae4ka, Районный в Омске в индексах не учтен. Берем плюсом. С коэф на новые технологии 1,15, 1,25 и понижающие НР- 0,9, Сп-0,85 на ремонт к жилым зданиям все правильно. На пусконаладку свои индексы в БИМ, а не 17,08. А скинуть можно очень много:
1) убрать фасонину к тубам, т.к. вы взяли стоимость не труб, а трубопроводов, где уже все учтено. ИЛИ вять стоимость труб плюс фасонину.
2) Убрать расценки на монтаж муфтовой арматуры (краны шаровые), в сборнике №16 эта работа сидит в расценках на прокладку труб, берем только стоимость. Работу на краны, клапаны задвижки только для фланцевой арматуры.
3) Установку фланцев убираем. Когда вы берете монтаж арматуры, то фланцы берем только стоимость, если они не учтены в расценке. надо раскрывать расценку и смотреть. Если в расценке прокладки, то фланцы плюсом без работы.
4) Если автомат устанавливаем в шкаф на дин-рейку, то расценка другая ТЕРм08-03-575-01 плюс ТЕРм08-03-574-1 .Кол-во жил зависит от полюсности автомата.
5) поз. №28. Автомат один, а присоединений 54. ЧТО присоединяем?
6) Труба ПВХ, расценка на трубу винипластовую;
7) где монтаж самого теплосчетчика. Ну вот в кратце все.


Сообщение отредактировал Олимпиада - Понедельник, 19.03.2012, 17:59
 
Gae4kaДата: Вторник, 20.03.2012, 06:26 | Сообщение # 11
Рядовой
Омск
Награды:
2  
Группа: Проверенные
Город: Омск
Сообщений: 12
Репутация: 0
Статус: Offline
Олимпиада, спасибо огромное!!! Такой еще момент - сборник БИМ 4 часть, у меня там идет индекс на ПНР только к оплате труда 17,08, а больше нет никаких. Следом уже идут индексы к ИЕРам. Или у меня БИМ какой то неправильный?! cry


 
Tanja55Дата: Вторник, 20.03.2012, 08:20 | Сообщение # 12
Генералиссимус
Санкт-Петербург
Награды:
342  
Группа: Проверенные
Город: Санкт-Петербург
Сообщений: 11323
Репутация: 339
Статус: Offline
Quote (Gae4ka)
у меня там идет индекс на ПНР только к оплате труда 17,08

а в ПНР других составляющих ПЗ, как правило, нет, потому и индекс только к ОЗП


Работаю в программе А0
 
Gae4kaДата: Вторник, 20.03.2012, 08:36 | Сообщение # 13
Рядовой
Омск
Награды:
2  
Группа: Проверенные
Город: Омск
Сообщений: 12
Репутация: 0
Статус: Offline
Tanja55, вот и я так подумала


 
ОлимпиадаДата: Вторник, 20.03.2012, 11:22 | Сообщение # 14
Полковник
Омск
Награды:
9  
Группа: Проверенные
Город: Омск
Сообщений: 188
Репутация: 9
Статус: Offline
Quote (Gae4ka)
сборник БИМ 4 часть, у меня там идет индекс на ПНР только к оплате труда 17,08, а больше нет никаких. Следом уже идут индексы к ИЕРам. Или у меня БИМ какой то неправильный?!

БИМ правильный, а вот знаний немного не хватает. В Омске на пусконаладочные работы индекс на з/плату отличается от индекса на з/плату СМР, причем на один и тот же сборник на разные виды пусконаладочных работ могут быть разные индексы. Открывайте БИМ №64 часть4 (не "Эталон") стр.244 и далее. У базы редакции 2009 года также разные индексы к ОЗП пусконаладочных.
 
ГуДвИнДата: Вторник, 10.04.2012, 11:07 | Сообщение # 15
Рядовой
Ульяновск
Награды:
0  
Группа: Пользователи
Город: Ульяновск
Сообщений: 8
Репутация: 0
Статус: Offline
Доброго времени суток. Мы строим монолитный дом, директор попросил сделать отдельные сметы на стены и колонны. Заказчик прислал сметы кусочек прикреплен ниже=) подскажите что заказчик сделал с расценкой. В сборнике прямые затраты по расценке составляют 206 759,31 рублей за 100 кубов ж/б, а у заказчика всего 100455,67 руб., за 100 кубов
Прикрепления: __.xls (183.5 Kb)
 
  • Страница 1 из 2
  • 1
  • 2
  • »
Поиск:

Сервисы



Телеграмм чат


Администратор
icq: 264-585-675
e-mail: andreyka_s@list.ru
web: www.semushin.name


Согласно п. 4.5 Правил Сметного портала запрещено размещение материалов попадающих под действие Статьи 1259 и Статьи 1270 ГК РФ, на которые распространяются авторские права правообладателя, без согласования с ним. В случае обнаружения материалов нарушающих права правообладателя просим сообщить через форму обратной связи.
Семушин А.А.
Яндекс.Метрика