Приветствую Вас Гость :: RSS :: Суббота :: 25.04.2026 ::
Реклама на сайте
Меню портала

Форма входа

Мини-чат

[ Новые сообщения · Участники · Правила форума · Поиск · RSS ]

  • Страница 1 из 2
  • 1
  • 2
  • »
подсчет объемов фундамента под оборудование
veronika-2Дата: Четверг, 01.12.2016, 16:26 | Сообщение # 1
Генералиссимус
Ростов-на-Дону
Награды:
449  
Группа: Модераторы
Город: Ростов-на-Дону
Сообщений: 21653
Репутация: 809
Статус: Offline
Дано:
диаметр сваи 500 мм, ростверк сечением 500х500 мм
общий объем бетона 0,48 м3
каркас арматурный - 0,1 тн.
1 вариант - скважину под сваю делаем с уровня земли.
бурим скважину, заливаем бетон для устройства сваи.
ФЕР05-01-029-03 - 0,37 м3
каркас арматурный - 0,1 тн
разработка грунта вручную для устройства ростверка
ФЕР01-02-056-02 - 2 м3
бетонный ростверк
ФЕР06-01-001-02 - 0,48-0,37=0,11м3
2 вариант - скважину под сваю делаем после предварительного устройства котлована под устройство ростверка
разработка грунта вручную
ФЕР01-02-056-02 - 2 м3
бурим скважину, заливаем бетон для устройства сваи.
ФЕР05-01-029-03 - 0,28 м3
арматурный каркас - 0,1 тн
бетонный ростверк
ФЕР06-01-001-02 - 0,48-0,28=0,20м3

Прикрепления: 2900532.jpg (147.4 Kb)


Психологические консультации онлайн.
Мой телеграмм
https://t.me/psyrnd2023
Вконтакте
https://vk.com/public214093226
 
abk63Дата: Четверг, 01.12.2016, 16:47 | Сообщение # 2
Сметчик
Оренбург
Награды:
413  
Группа: Проверенные
Город: Оренбург
Сообщений: 20516
Репутация: 740
Статус: Offline
Цитатаveronika-2 ()
удалю...
зачем? я бы выделил в отдельную тему... конструкция часто употребляемая, но на форуме не обсуждалась...


Сметная лавка. Беседы о сметах и не только...
Сметный портал в ТГ
Сметчикам - про ПИР, ПНР и не только...
 
veronika-2Дата: Четверг, 01.12.2016, 16:51 | Сообщение # 3
Генералиссимус
Ростов-на-Дону
Награды:
449  
Группа: Модераторы
Город: Ростов-на-Дону
Сообщений: 21653
Репутация: 809
Статус: Offline
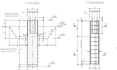
abk63, скрин несколько неинформативный, т.к. к этому скрину как минимум двух разрезов нет, и плана тоже. а это вводит в заблуждение smile


Психологические консультации онлайн.
Мой телеграмм
https://t.me/psyrnd2023
Вконтакте
https://vk.com/public214093226
 
abk63Дата: Четверг, 01.12.2016, 16:56 | Сообщение # 4
Сметчик
Оренбург
Награды:
413  
Группа: Проверенные
Город: Оренбург
Сообщений: 20516
Репутация: 740
Статус: Offline
Цитатаveronika-2 ()
abk63, скрин несколько неинформативный
может я уже что-то не понимаю... biggrin


Сметная лавка. Беседы о сметах и не только...
Сметный портал в ТГ
Сметчикам - про ПИР, ПНР и не только...
 
veronika-2Дата: Четверг, 01.12.2016, 17:01 | Сообщение # 5
Генералиссимус
Ростов-на-Дону
Награды:
449  
Группа: Модераторы
Город: Ростов-на-Дону
Сообщений: 21653
Репутация: 809
Статус: Offline
abk63, нету плана фундаментов и сечения сваи и ростверка smile а сечение их разное.


Психологические консультации онлайн.
Мой телеграмм
https://t.me/psyrnd2023
Вконтакте
https://vk.com/public214093226
 
abk63Дата: Четверг, 01.12.2016, 17:07 | Сообщение # 6
Сметчик
Оренбург
Награды:
413  
Группа: Проверенные
Город: Оренбург
Сообщений: 20516
Репутация: 740
Статус: Offline
Цитатаveronika-2 ()
abk63, нету плана фундаментов и сечения сваи и ростверка smile а сечение их разное.
здесь как раз вопрос то про технологию. план фундамента и не нужен... какой объем нужно брать на БНС. Вера, ну не было по моему такого вопроса за все время форума. а конструкция одна из самых встречающихся... у меня на днях нечто подобное в проект пойдет... только вместо БНС винтовая свая. а там уже немного отличаться объемы будут... сначала котлован, а потом свая...


Сметная лавка. Беседы о сметах и не только...
Сметный портал в ТГ
Сметчикам - про ПИР, ПНР и не только...
 
veronika-2Дата: Четверг, 01.12.2016, 17:09 | Сообщение # 7
Генералиссимус
Ростов-на-Дону
Награды:
449  
Группа: Модераторы
Город: Ростов-на-Дону
Сообщений: 21653
Репутация: 809
Статус: Offline
abk63, вынесу вечером отдельно. и свои предложения по объемам и расценкам.


Психологические консультации онлайн.
Мой телеграмм
https://t.me/psyrnd2023
Вконтакте
https://vk.com/public214093226
 
abk63Дата: Четверг, 01.12.2016, 17:11 | Сообщение # 8
Сметчик
Оренбург
Награды:
413  
Группа: Проверенные
Город: Оренбург
Сообщений: 20516
Репутация: 740
Статус: Offline
Цитатаveronika-2 ()
abk63, вынесу вечером отдельно. и свои предложения по объемам и расценкам.
это вам решать, картинка ваша. но вопрос не обсуждался на моей памяти... если только под ПНР что забыл biggrin


Сметная лавка. Беседы о сметах и не только...
Сметный портал в ТГ
Сметчикам - про ПИР, ПНР и не только...
 
veronika-2Дата: Четверг, 01.12.2016, 17:15 | Сообщение # 9
Генералиссимус
Ростов-на-Дону
Награды:
449  
Группа: Модераторы
Город: Ростов-на-Дону
Сообщений: 21653
Репутация: 809
Статус: Offline
тему закрываю на доработку


Психологические консультации онлайн.
Мой телеграмм
https://t.me/psyrnd2023
Вконтакте
https://vk.com/public214093226
 
veronika-2Дата: Четверг, 01.12.2016, 18:59 | Сообщение # 10
Генералиссимус
Ростов-на-Дону
Награды:
449  
Группа: Модераторы
Город: Ростов-на-Дону
Сообщений: 21653
Репутация: 809
Статус: Offline
abk63, отредактировала первое сообщение. как-то так я поняла ту мысль, которую вы до меня донесли


Психологические консультации онлайн.
Мой телеграмм
https://t.me/psyrnd2023
Вконтакте
https://vk.com/public214093226
 
AleksejДата: Четверг, 01.12.2016, 20:52 | Сообщение # 11
Генералиссимус
Сочи
Награды:
147  
Группа: Проверенные
Город: Сочи
Сообщений: 3853
Репутация: 240
Статус: Offline
veronika-2, нужен план свайного поля. 
Или ответ на вопрос-сваи в траншее или под каждую отдельно грунт убирают?
И сколько протяженность траншеи или количество свай.
 
abk63Дата: Пятница, 02.12.2016, 07:54 | Сообщение # 12
Сметчик
Оренбург
Награды:
413  
Группа: Проверенные
Город: Оренбург
Сообщений: 20516
Репутация: 740
Статус: Offline
ЦитатаAleksej ()
veronika-2, нужен план свайного поля. Или ответ на вопрос-сваи в траншее или под каждую отдельно грунт убирают?
И сколько протяженность траншеи или количество свай.
зачем? если в вопросе есть слово ростверк, который делают обычно по периметру. для меня в принципе после прочтения чертежа вопросов особо и не осталось.
работает вариант 2. сначала делают траншею до уровня -0,6, бурят до -2. делают бетонную подготовку 100 мм. армируют, заливают до -0,5, на отметке -0,6 устраивают под ростверк бетонную подготовку вне свай, устаеавливают опалубку для ростверка, который  опирают на оголовок сваи. при этом арматура ростверка должна быть связана с арматурой сваи и с закладными ББ-1. Объем бетона в свае 0,48 дан неверно. выше отметки -0,5 он должен входить в объем ростверка.
но это мое  личное мнение. если делать сваю с уровня земли, залить, то траншею под ростверк замучаешься копать...


Сметная лавка. Беседы о сметах и не только...
Сметный портал в ТГ
Сметчикам - про ПИР, ПНР и не только...
 
veronika-2Дата: Пятница, 02.12.2016, 11:13 | Сообщение # 13
Генералиссимус
Ростов-на-Дону
Награды:
449  
Группа: Модераторы
Город: Ростов-на-Дону
Сообщений: 21653
Репутация: 809
Статус: Offline
Цитатаabk63 ()
Объем бетона в свае 0,48 дан неверно. выше отметки -0,5 он должен входить в объем ростверка.

не совсем согласна. в спеке объем бетона стоит общий, и уже задача сметчика тут - разделить объем бетона на сваю и ростверк. ну вот так у нас проектировщики работают smile
Цитатаabk63 ()
работает вариант 2. сначала делают траншею до уровня -0,6, бурят до -2. делают бетонную подготовку 100 мм. армируют, заливают до -0,5, на отметке -0,6 устраивают под ростверк бетонную подготовку вне свай, устаеавливают опалубку для ростверка, который опирают на оголовок сваи. при этом арматура ростверка должна быть связана с арматурой сваи и с закладными ББ-1. Объем бетона в свае 0,48 дан неверно. выше отметки -0,5 он должен входить в объем ростверка.но это мое личное мнение. если делать сваю с уровня земли, залить, то траншею под ростверк замучаешься копать...




спасибо, я к этому же пришла вчера, так и делаем


Психологические консультации онлайн.
Мой телеграмм
https://t.me/psyrnd2023
Вконтакте
https://vk.com/public214093226
 
abk63Дата: Пятница, 02.12.2016, 11:24 | Сообщение # 14
Сметчик
Оренбург
Награды:
413  
Группа: Проверенные
Город: Оренбург
Сообщений: 20516
Репутация: 740
Статус: Offline
Цитатаveronika-2 ()
в спеке объем бетона стоит общий, и уже задача сметчика тут - разделить объем бетона на сваю и ростверк.
маловато на ростверк будет... сколько свай в проекте?


Сметная лавка. Беседы о сметах и не только...
Сметный портал в ТГ
Сметчикам - про ПИР, ПНР и не только...
 
veronika-2Дата: Пятница, 02.12.2016, 11:33 | Сообщение # 15
Генералиссимус
Ростов-на-Дону
Награды:
449  
Группа: Модераторы
Город: Ростов-на-Дону
Сообщений: 21653
Репутация: 809
Статус: Offline
Цитатаabk63 ()
маловато на ростверк будет... сколько свай в проекте?




таких - 4. нормально там получается на ростверк, 0,5*0,5*(0,6+0,3)=0,225 м3


Психологические консультации онлайн.
Мой телеграмм
https://t.me/psyrnd2023
Вконтакте
https://vk.com/public214093226
 
  • Страница 1 из 2
  • 1
  • 2
  • »
Поиск:

Сервисы



Телеграмм чат


Администратор
icq: 264-585-675
e-mail: andreyka_s@list.ru
web: www.semushin.name


Согласно п. 4.5 Правил Сметного портала запрещено размещение материалов попадающих под действие Статьи 1259 и Статьи 1270 ГК РФ, на которые распространяются авторские права правообладателя, без согласования с ним. В случае обнаружения материалов нарушающих права правообладателя просим сообщить через форму обратной связи.
Семушин А.А.
Яндекс.Метрика