Приветствую Вас Гость :: RSS :: Пятница :: 03.04.2026 ::
Реклама на сайте
Меню портала

Форма входа

Мини-чат

[ Новые сообщения · Участники · Правила форума · Поиск · RSS ]

  • Страница 1 из 1
  • 1
Конструкция с изоляторами
cq-smДата: Вторник, 07.08.2018, 14:30 | Сообщение # 1
Лейтенант
Награды:
0  
Группа: Проверенные
Сообщений: 42
Репутация: 0
Статус: Offline
Как расценить монтаж конструкции с изоляторами? Изготовление и монтаж металлоконструкции и потом на неё изоляторы? Или есть какая-то одна расценка на всё это дело?
Прикрепления: 3899361.jpg (34.2 Kb) · 9461613.jpg (286.6 Kb)
 
ЛюдочкаДата: Вторник, 07.08.2018, 15:02 | Сообщение # 2
Генералиссимус
Ростов-на-Дону
Награды:
62  
Группа: Проверенные
Город: Ростов-на-Дону
Сообщений: 1495
Репутация: 127
Статус: Offline
cq-sm, возможно, у этой конструкции с изоляторами есть какое-то наименование или она является частью другой, более крупной, конструкции (у которой это наименование есть)?
 
cq-smДата: Вторник, 07.08.2018, 15:29 | Сообщение # 3
Лейтенант
Награды:
0  
Группа: Проверенные
Сообщений: 42
Репутация: 0
Статус: Offline
Цитата Людочка ()
возможно, у этой конструкции с изоляторами есть какое-то наименование или она является частью другой, более крупной, конструкции (у которой это наименование есть)

Ну они закрепляются рядом с трансформатором
Прикрепления: 9364766.jpg (135.5 Kb)
 
ЛюдочкаДата: Вторник, 07.08.2018, 16:21 | Сообщение # 4
Генералиссимус
Ростов-на-Дону
Награды:
62  
Группа: Проверенные
Город: Ростов-на-Дону
Сообщений: 1495
Репутация: 127
Статус: Offline
cq-sm, шины (шинодержатели - в расценке на монтаж шин) и опорные изоляторы 10 кВ (если это они) есть в ФЕРм08 (ТЕРм08) "РАЗДЕЛ 3. РАСПРЕДЕЛИТЕЛЬНЫЕ УСТРОЙСТВА ЗАКРЫТЫЕ 3-20 КВ". Параметры шин и изоляторов уточняете по спецификации к проекту, из которого картинка.
 
cq-smДата: Среда, 08.08.2018, 15:49 | Сообщение # 5
Лейтенант
Награды:
0  
Группа: Проверенные
Сообщений: 42
Репутация: 0
Статус: Offline
Цитата Людочка ()
шины (шинодержатели - в расценке на монтаж шин) и опорные изоляторы 10 кВ (если это они) есть в ФЕРм08 (ТЕРм08) "РАЗДЕЛ 3. РАСПРЕДЕЛИТЕЛЬНЫЕ УСТРОЙСТВА ЗАКРЫТЫЕ 3-20 КВ". Параметры шин и изоляторов уточняете по спецификации к проекту, из которого картинка.
м08-01-077-01: Изготовление и прокладка токопровода. Установка шинодержателей и компенсаторов. Присоединение.

м08-01-017-08: Монтаж шинных опор или изоляторов. Прокладка, приварка и окраска шин заземления. Присоединение. Монтаж шинодержателей.

Вот эти 2 расценки вместе взять? Я так понял, во 2-й есть монтаж этой металлоконструкции и сталь полосовая в материалах сидит.

И еще, они не будут друг друга дублировать по составу работ? Первая расценка, кстати, у меня и так в смете есть перед этой конструкцией с изоляторами, по ней я 12 шин алюминиевых монтирую
 
Sane4kaДата: Среда, 08.08.2018, 16:18 | Сообщение # 6
Мисс Март 2012
Апатиты
Награды:
183  
Группа: Модераторы
Город: Апатиты
Сообщений: 5572
Репутация: 228
Статус: Offline
Что-то непонятное. Под цифрами 1 и 2 это что? Расшифровка должна быть в чертежах.
 
cq-smДата: Среда, 08.08.2018, 16:23 | Сообщение # 7
Лейтенант
Награды:
0  
Группа: Проверенные
Сообщений: 42
Репутация: 0
Статус: Offline
Цитата Sane4ka ()
Под цифрами 1 и 2 это что?

Конструкции с изоляторами
 
ЛюдочкаДата: Среда, 08.08.2018, 16:56 | Сообщение # 8
Генералиссимус
Ростов-на-Дону
Награды:
62  
Группа: Проверенные
Город: Ростов-на-Дону
Сообщений: 1495
Репутация: 127
Статус: Offline
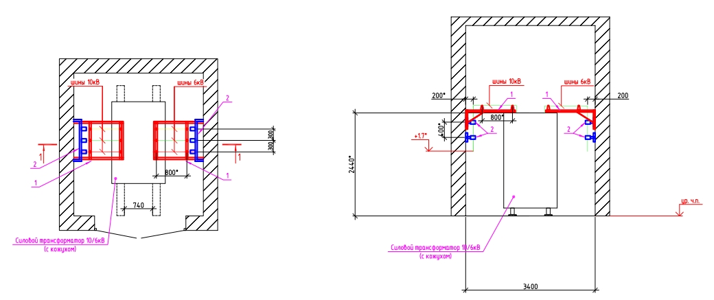
cq-sm, у Вас трансформатор в сооружении / корпусе стоит или это часть открытого распределительного устройства?
Если у Вас на рисунке нарисованы стены и вход, то, наверное, Ваш трансформатор стоит внутри какого-то сооружения, да?) И если он стоит внутри, то Вам нужно брать расценки не 1 раздела (открытые распред.устройства), а 3 раздела (закрытые распред.устройства), с м08-01-52 по м08-01-87.


Сообщение отредактировал Людочка - Среда, 08.08.2018, 16:56
 
cq-smДата: Среда, 08.08.2018, 17:07 | Сообщение # 9
Лейтенант
Награды:
0  
Группа: Проверенные
Сообщений: 42
Репутация: 0
Статус: Offline
Цитата Людочка ()
стоит внутри какого-то сооружения

да, внутри камеры
Прикрепления: 7139325.jpg (233.9 Kb)
 
ЛюдочкаДата: Среда, 08.08.2018, 17:18 | Сообщение # 10
Генералиссимус
Ростов-на-Дону
Награды:
62  
Группа: Проверенные
Город: Ростов-на-Дону
Сообщений: 1495
Репутация: 127
Статус: Offline
Цитата Людочка ()
И если он стоит внутри, то Вам нужно брать расценки не 1 раздела (открытые распред.устройства), а 3 раздела (закрытые распред.устройства), с м08-01-52 по м08-01-87.

cq-sm, тогда как-то так...
 
cq-smДата: Среда, 08.08.2018, 17:25 | Сообщение # 11
Лейтенант
Награды:
0  
Группа: Проверенные
Сообщений: 42
Репутация: 0
Статус: Offline
Цитата Людочка ()
тогда как-то так

спасибо за советы
 
  • Страница 1 из 1
  • 1
Поиск:

Сервисы



Телеграмм чат


Администратор
icq: 264-585-675
e-mail: andreyka_s@list.ru
web: www.semushin.name


Согласно п. 4.5 Правил Сметного портала запрещено размещение материалов попадающих под действие Статьи 1259 и Статьи 1270 ГК РФ, на которые распространяются авторские права правообладателя, без согласования с ним. В случае обнаружения материалов нарушающих права правообладателя просим сообщить через форму обратной связи.
Семушин А.А.
Яндекс.Метрика