Приветствую Вас Гость :: RSS :: Четверг :: 25.12.2025 ::
Реклама на сайте
Меню портала

Форма входа

Мини-чат

[ Новые сообщения · Участники · Правила форума · Поиск · RSS ]

  • Страница 1 из 2
  • 1
  • 2
  • »
Площадь поверхности отвода
Vladi34Дата: Пятница, 27.12.2013, 11:35 | Сообщение # 1
Рядовой
Москва
Награды:
0  
Группа: Пользователи
Город: Москва
Сообщений: 5
Репутация: 0
Статус: Offline
Добрый день!
Подскажите пожалуйста как посчитать площадь поверхности отвода?
Прикрепления: 6038207.jpg (53.8 Kb)
 
Tanja55Дата: Пятница, 27.12.2013, 11:43 | Сообщение # 2
Генералиссимус
Санкт-Петербург
Награды:
342  
Группа: Проверенные
Город: Санкт-Петербург
Сообщений: 11323
Репутация: 339
Статус: Offline
Цитата Vladi34 ()
Подскажите пожалуйста как посчитать площадь поверхности отвода? Прикрепления: 6038207.jpg(54Kb)
ГОСТ найти


Работаю в программе А0
 
МаксимусДата: Пятница, 27.12.2013, 11:48 | Сообщение # 3
Снегурочка 2012
Москва
Награды:
48  
Группа: Проверенные
Город: Москва
Сообщений: 1164
Репутация: 48
Статус: Offline
Vladi34, Lотвода - 2ПR
потом площадь D*3.14*L


Сообщение отредактировал Максимус - Пятница, 27.12.2013, 12:05
 
МаксимусДата: Пятница, 27.12.2013, 11:52 | Сообщение # 4
Снегурочка 2012
Москва
Награды:
48  
Группа: Проверенные
Город: Москва
Сообщений: 1164
Репутация: 48
Статус: Offline
Пример: Табл. 2, отводы 2исполнения, диаметр 219мм угол 90гр., R=300мм
L=2*3.14*0.3/4=0.471м
S=0.219*3.14*0.471=0.324м2
Прикрепления: _17375-2001_.doc (660.5 Kb)
 
av_00Дата: Пятница, 27.12.2013, 11:59 | Сообщение # 5
Генералиссимус
Награды:
167  
Группа: Проверенные
Сообщений: 5857
Репутация: 387
Статус: Offline
 
Vladi34Дата: Пятница, 27.12.2013, 12:19 | Сообщение # 6
Рядовой
Москва
Награды:
0  
Группа: Пользователи
Город: Москва
Сообщений: 5
Репутация: 0
Статус: Offline
Цитата
Пример: Табл. 2, отводы 2исполнения, диаметр 219мм угол 90гр., R=300мм 
L=2*3.14*0.3/4=0.471м 
S=0.219*3.14*0.471=0.324м2

А если отвод состоит из 2 стаканов и одного звена?
Прикрепления: 9407542.jpg (54.7 Kb)
 
Galina53Дата: Пятница, 27.12.2013, 12:24 | Сообщение # 7
Генералиссимус
Кемерово
Награды:
242  
Группа: Проверенные
Город: Кемерово
Сообщений: 11640
Репутация: 207
Статус: Offline
Цитата Vladi34 ()
как посчитать площадь поверхности отвода?

Пособие к СНиП 3.05.01-85

Добавлено (27.12.2013, 12:24)
---------------------------------------------

Цитата Vladi34 ()
А если отвод состоит из 2 стаканов и одного звена?

Выбирайте отвод с углом 90°
 
МаксимусДата: Пятница, 27.12.2013, 12:26 | Сообщение # 8
Снегурочка 2012
Москва
Награды:
48  
Группа: Проверенные
Город: Москва
Сообщений: 1164
Репутация: 48
Статус: Offline
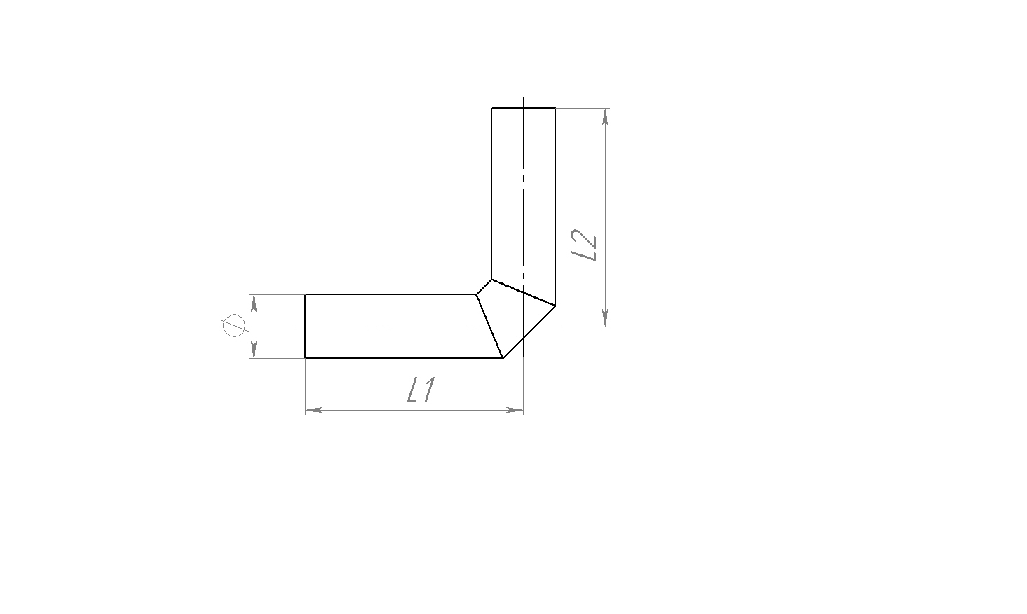
и приплюсуйте к длине отвода ваши патрубки L1 и L2 и будет вам счастье )))
 
Galina53Дата: Пятница, 27.12.2013, 12:27 | Сообщение # 9
Генералиссимус
Кемерово
Награды:
242  
Группа: Проверенные
Город: Кемерово
Сообщений: 11640
Репутация: 207
Статус: Offline
http://files.stroyinf.ru/Data1/2/2709/ Приложение 3 таблица 3
 
Vladi34Дата: Пятница, 27.12.2013, 13:17 | Сообщение # 10
Рядовой
Москва
Награды:
0  
Группа: Пользователи
Город: Москва
Сообщений: 5
Репутация: 0
Статус: Offline
Цитата
http://files.stroyinf.ru/Data1/2/2709/ Приложение 3 таблица 3

А если величинa "u" будет другая для определенного d, например d=250mm a u=1000mm? Как будет выглядеть формула для площади поверхности?
например оболочка для отвода по гост 30732-2006?


Сообщение отредактировал Vladi34 - Пятница, 27.12.2013, 13:18
 
Tanja55Дата: Пятница, 27.12.2013, 13:21 | Сообщение # 11
Генералиссимус
Санкт-Петербург
Награды:
342  
Группа: Проверенные
Город: Санкт-Петербург
Сообщений: 11323
Репутация: 339
Статус: Offline
Цитата Vladi34 ()
А если величинa "u" будет другая для определенного d, например d=250mm a u=1000mm? Как будет выглядеть формула для площади поверхности?
Цитата Galina53 ()
http://files.stroyinf.ru/Data1/2/2709/ Приложение 3 таблица 3
Цитата av_00 ()
Расчет площади воздуховодов и фасонных изделий Программа расчёта площади и стоимости воздуховодов


Работаю в программе А0
 
Galina53Дата: Пятница, 27.12.2013, 13:25 | Сообщение # 12
Генералиссимус
Кемерово
Награды:
242  
Группа: Проверенные
Город: Кемерово
Сообщений: 11640
Репутация: 207
Статус: Offline
Цитата Vladi34 ()
например d=250mm a u=1000mm?

"u" не может быть равно 1000 при диаметре 250.
 
МаксимусДата: Пятница, 27.12.2013, 13:33 | Сообщение # 13
Снегурочка 2012
Москва
Награды:
48  
Группа: Проверенные
Город: Москва
Сообщений: 1164
Репутация: 48
Статус: Offline
Galina53, почему вы так решили? Отводы в ППУ изоляции с патрубками =1.0м до 273 диаметра.
Vladi34, а зачем вам площадь? Расценка на изоляцию в м3.  Или вы усиленную оболочку хотите поверх ?
Прикрепления: 5420283.jpg (160.4 Kb)
 
Galina53Дата: Пятница, 27.12.2013, 13:38 | Сообщение # 14
Генералиссимус
Кемерово
Награды:
242  
Группа: Проверенные
Город: Кемерово
Сообщений: 11640
Репутация: 207
Статус: Offline
Цитата Максимус ()
почему вы так решили?

Вы смотрели, что такое "u" на рисунке 2 в таблице 3 приложения 3?
 
МаксимусДата: Пятница, 27.12.2013, 13:46 | Сообщение # 15
Снегурочка 2012
Москва
Награды:
48  
Группа: Проверенные
Город: Москва
Сообщений: 1164
Репутация: 48
Статус: Offline
Galina53, мы ж с вами понимаем о чем говорит Vladi34, он неверно выразился, мне понятно, что он хочет узнать площадь с учетом патрубков.

Добавлено (27.12.2013, 13:46)
---------------------------------------------
Только я не могу понять почему до сих пор он задает этот вопрос, я ж написала 

Цитата Максимус ()
L=2*3.14*0.3/4=0.471м
+2м=2,471м*3,14*0,219
Для 
Цитата Vladi34 ()
d=250mm
2*3,14*0,375/4=0,589+2=2,589м
S=0.273*3.14*2.589=2,22м2
 
  • Страница 1 из 2
  • 1
  • 2
  • »
Поиск:

Сервисы



Телеграмм чат


Администратор
icq: 264-585-675
e-mail: andreyka_s@list.ru
web: www.semushin.name


Согласно п. 4.5 Правил Сметного портала запрещено размещение материалов попадающих под действие Статьи 1259 и Статьи 1270 ГК РФ, на которые распространяются авторские права правообладателя, без согласования с ним. В случае обнаружения материалов нарушающих права правообладателя просим сообщить через форму обратной связи.
Семушин А.А.
Яндекс.Метрика