Приветствую Вас Гость :: RSS :: Суббота :: 02.05.2026 ::
Реклама на сайте
Меню портала

Форма входа

Мини-чат

[ Новые сообщения · Участники · Правила форума · Поиск · RSS ]

  • Страница 2 из 2
  • «
  • 1
  • 2
Транспозиция проводов ВЛ 220 кВ
Sane4kaДата: Среда, 26.07.2017, 16:05 | Сообщение # 16
Мисс Март 2012
Апатиты
Награды:
183  
Группа: Модераторы
Город: Апатиты
Сообщений: 5575
Репутация: 228
Статус: Offline
Подниму тему.
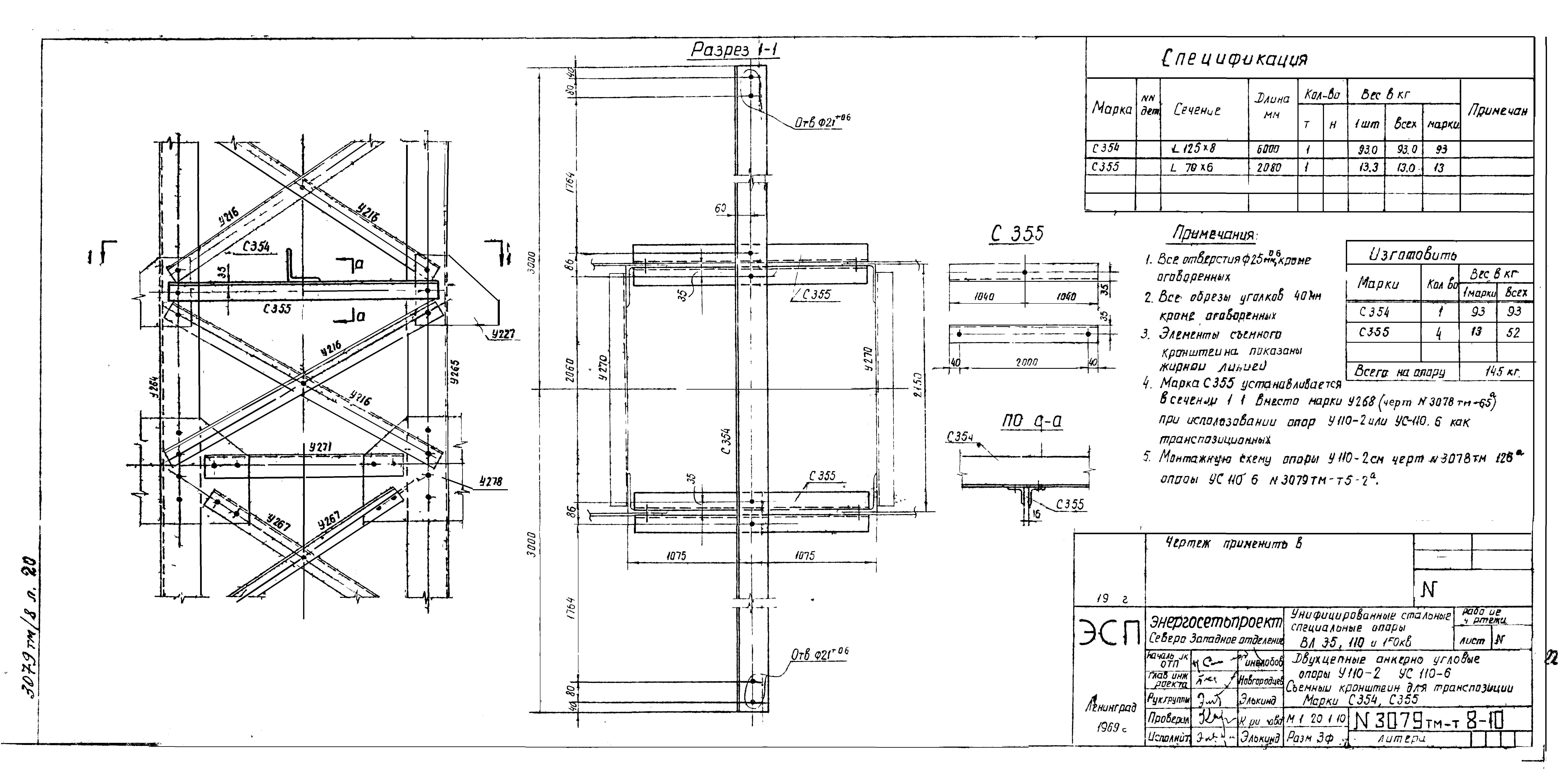
У меня по проекту на опоре УС 110-8 предусмотрен съемный кронштейн для транспозиции. Почему он съемный? И монтаж его как расценивать? Отдельно или вес прибавлять к весу опоры?
В проекте вот этот лист
Прикрепления: 8555494.gif (388.6 Kb)
 
abk63Дата: Среда, 26.07.2017, 17:26 | Сообщение # 17
Сметчик
Оренбург
Награды:
413  
Группа: Проверенные
Город: Оренбург
Сообщений: 20516
Репутация: 740
Статус: Offline
Цитата Sane4ka ()
Почему он съемный?
потому что при эксплуатации его снимать можно
Цитата Sane4ka ()
вес прибавлять к весу опоры
хотя в проекте он вместе с весом опоры должен идти... но на северах все не по людски...


Сметная лавка. Беседы о сметах и не только...
Сметный портал в ТГ
Сметчикам - про ПИР, ПНР и не только...
 
Sane4kaДата: Четверг, 27.07.2017, 08:09 | Сообщение # 18
Мисс Март 2012
Апатиты
Награды:
183  
Группа: Модераторы
Город: Апатиты
Сообщений: 5575
Репутация: 228
Статус: Offline
Цитата abk63 ()
в проекте он вместе с весом опоры должен идти...
поняла

Цитата abk63 ()
потому что при эксплуатации его снимать можно
Спасибо за разъяснения!
 
DvinyatinkaДата: Четверг, 25.02.2021, 16:18 | Сообщение # 19
Генерал-майор
Москва
Награды:
6  
Группа: Проверенные
Город: Москва
Сообщений: 353
Репутация: 11
Статус: Offline
Добрый день, еще раз спрошу, не сообразила из Вашего обсуждения: единица измерения расценки - перемычка. кол-во перемычек равно кол-во дополнительных гирлянд для транспозиции? спасибо
 
abk63Дата: Четверг, 25.02.2021, 16:27 | Сообщение # 20
Сметчик
Оренбург
Награды:
413  
Группа: Проверенные
Город: Оренбург
Сообщений: 20516
Репутация: 740
Статус: Offline
Цитата Dvinyatinka ()
кол-во перемычек равно кол-во дополнительных гирлянд для транспозиции?
нет. количество перемычек равно количеству проводов в линии. и гирлянд в этом случае будет минимум три на 1 перемычку.


Сметная лавка. Беседы о сметах и не только...
Сметный портал в ТГ
Сметчикам - про ПИР, ПНР и не только...
 
DvinyatinkaДата: Четверг, 25.02.2021, 18:27 | Сообщение # 21
Генерал-майор
Москва
Награды:
6  
Группа: Проверенные
Город: Москва
Сообщений: 353
Репутация: 11
Статус: Offline
Добрый день! спасибо, что откликнулись

невозможно, что одна перемычка для 1го пикета ВЛ, то есть для одной опоры, на которой предусмотрено устройство транспозиции и для всех 15 проводов ВЛ 750 кВ. Почему так рассуждаю - для тросов единица измерения 2 перемычки как будто сразу для всех 2х тросов ВЛ 750 кВ.
 
abk63Дата: Пятница, 26.02.2021, 08:36 | Сообщение # 22
Сметчик
Оренбург
Награды:
413  
Группа: Проверенные
Город: Оренбург
Сообщений: 20516
Репутация: 740
Статус: Offline
Цитата Dvinyatinka ()
для тросов единица измерения 2 перемычки как будто сразу для всех 2х тросов ВЛ 750 кВ.
а как по другому? больше 2-х тросов не бывает. просто делают перехлест их на надставках, а 15 проводов местами на одной опоре поменять... это не 15 перемычек. это три перемычки обычно. но гирлянд там будет больше и бывает разное количество... и зависит от опоры.


Сметная лавка. Беседы о сметах и не только...
Сметный портал в ТГ
Сметчикам - про ПИР, ПНР и не только...
 
  • Страница 2 из 2
  • «
  • 1
  • 2
Поиск:

Сервисы



Телеграмм чат


Администратор
icq: 264-585-675
e-mail: andreyka_s@list.ru
web: www.semushin.name


Согласно п. 4.5 Правил Сметного портала запрещено размещение материалов попадающих под действие Статьи 1259 и Статьи 1270 ГК РФ, на которые распространяются авторские права правообладателя, без согласования с ним. В случае обнаружения материалов нарушающих права правообладателя просим сообщить через форму обратной связи.
Семушин А.А.
Яндекс.Метрика