Приветствую Вас Гость :: RSS :: Понедельник :: 23.02.2026 ::
Реклама на сайте
Меню портала

Форма входа

Мини-чат

[ Новые сообщения · Участники · Правила форума · Поиск · RSS ]

Монтаж кондиционера
vladnikДата: Пятница, 30.05.2014, 11:43 | Сообщение # 61
Ценовой инженер
СПб-ЛО
Награды:
285  
Группа: Проверенные
Город: СПб-ЛО
Сообщений: 14460
Репутация: 349
Статус: Offline
Цитата dozor ()
Что там ПНРить?
провода..
 
Sane4kaДата: Пятница, 30.05.2014, 11:48 | Сообщение # 62
Мисс Март 2012
Апатиты
Награды:
183  
Группа: Модераторы
Город: Апатиты
Сообщений: 5572
Репутация: 228
Статус: Offline
Цитата vladnik ()
провода..
например, по п1-12-27-1?

И ещё, не про ПНР. Нужно сделать типа козырька над внешним блоком кондиционера. Подрядчик предлагает 20-2-11-1, но мне эта расценка не нравится. Может подойдет 12-1-10-1?!


Сообщение отредактировал Sane4ka - Пятница, 30.05.2014, 11:50
 
vladnikДата: Пятница, 30.05.2014, 11:59 | Сообщение # 63
Ценовой инженер
СПб-ЛО
Награды:
285  
Группа: Проверенные
Город: СПб-ЛО
Сообщений: 14460
Репутация: 349
Статус: Offline
20-2-10-1.. и пошел он нафиг.. Если зонт комплектный.
 
Sane4kaДата: Понедельник, 02.06.2014, 09:22 | Сообщение # 64
Мисс Март 2012
Апатиты
Награды:
183  
Группа: Модераторы
Город: Апатиты
Сообщений: 5572
Репутация: 228
Статус: Offline
Цитата vladnik ()
Если зонт комплектный.
Нет. Там конструкция простая. Похожа как на картинке
Прикрепления: 9131999.jpg (69.2 Kb)
 
Sane4kaДата: Понедельник, 02.06.2014, 10:31 | Сообщение # 65
Мисс Март 2012
Апатиты
Награды:
183  
Группа: Модераторы
Город: Апатиты
Сообщений: 5572
Репутация: 228
Статус: Offline
И ещё вопрос возник в 20-6-17-1 учтена работа по установке кронштейнов для блока?! В составе работ есть пункт 03. Установка опор. Это кронштейны имеются в виду?! И в ресурсах за расценкой есть крепления.
 
dozorДата: Понедельник, 02.06.2014, 10:51 | Сообщение # 66
Генералиссимус
Санкт-Петербург
Награды:
110  
Группа: Модераторы
Город: Санкт-Петербург
Сообщений: 4520
Репутация: 224
Статус: Offline
Sane4ka, видимо да.
 
Sane4kaДата: Понедельник, 02.06.2014, 14:52 | Сообщение # 67
Мисс Март 2012
Апатиты
Награды:
183  
Группа: Модераторы
Город: Апатиты
Сообщений: 5572
Репутация: 228
Статус: Offline
dozor, так, про кронштейны понятно теперь всё - учтены расценкой. А вот что делать с козырьком над внешним блоком?
 
СерьгаДата: Понедельник, 02.06.2014, 14:55 | Сообщение # 68
Победитель конкурса Защитник 2012
Санкт-Петербург
Награды:
168  
Группа: Проверенные
Город: Санкт-Петербург
Сообщений: 4661
Репутация: 267
Статус: Offline
Цитата Sane4ka ()
А вот что делать с козырьком над внешним блоком?
Болт забить. Поверь мне это самое верное решение. В 99% случаев это готовое изделие, т.е кронштейн с козырьком. Цену на материалы возьми подороже да и все.


Нечего на компьютер пенять, коли руки кривы... (народная мудрость)
 
Sane4kaДата: Понедельник, 02.06.2014, 15:01 | Сообщение # 69
Мисс Март 2012
Апатиты
Награды:
183  
Группа: Модераторы
Город: Апатиты
Сообщений: 5572
Репутация: 228
Статус: Offline
Цитата Серьга ()
В 99% случаев это готовое изделие, т.е кронштейн с козырьком
Т.е. будут монтировать вместе с внешним блоком?!
 
СерьгаДата: Понедельник, 02.06.2014, 15:05 | Сообщение # 70
Победитель конкурса Защитник 2012
Санкт-Петербург
Награды:
168  
Группа: Проверенные
Город: Санкт-Петербург
Сообщений: 4661
Репутация: 267
Статус: Offline
Sane4ka, Внешний блок монтируется на кронштейн, в твоем случае, "П" образный.


Нечего на компьютер пенять, коли руки кривы... (народная мудрость)
 
Sane4kaДата: Понедельник, 02.06.2014, 15:30 | Сообщение # 71
Мисс Март 2012
Апатиты
Награды:
183  
Группа: Модераторы
Город: Апатиты
Сообщений: 5572
Репутация: 228
Статус: Offline
Цитата Серьга ()
Внешний блок монтируется на кронштейн, в твоем случае, "П" образный.
ну это понятно. А козырек то выше монтируется и на своих крепежах.
 
DusДата: Понедельник, 02.06.2014, 16:42 | Сообщение # 72
Генерал-полковник
Краснодар
Награды:
43  
Группа: Проверенные
Город: Краснодар
Сообщений: 1114
Репутация: 117
Статус: Offline
Sane4ka, трудозатраты в 20-6-17-1 для установки наружного блока не маленькие. В прямых расценках из новой редакции намного меньше. Я бы установку готового козырька не расценивал отдельно при этой расценке, а учел только стоимость изделия.


ник читается Дюс
 
Sane4kaДата: Понедельник, 02.06.2014, 16:45 | Сообщение # 73
Мисс Март 2012
Апатиты
Награды:
183  
Группа: Модераторы
Город: Апатиты
Сообщений: 5572
Репутация: 228
Статус: Offline
Dus, спасибо.
 
bukashkaДата: Понедельник, 16.06.2014, 12:56 | Сообщение # 74
Полковник
Санкт-Петербург
Награды:
2  
Группа: Проверенные
Город: Санкт-Петербург
Сообщений: 196
Репутация: -3
Статус: Offline
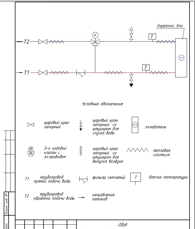
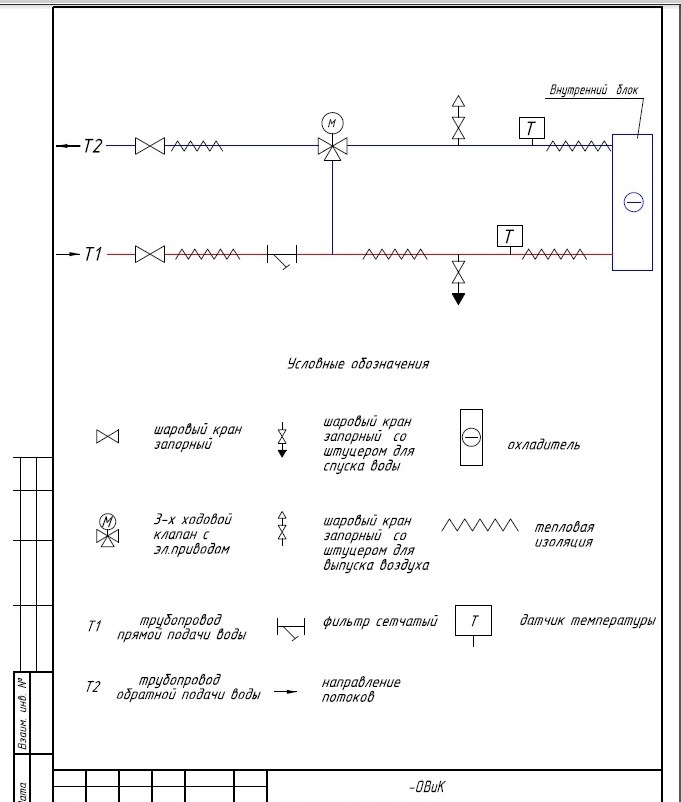
У меня в спецификации к кондиционерам прописан "Узел обвязки внутреннего блока (фанкойла) в штуках. И в примечаниях написано см.схему узла обвязки.
Схему то я посмотрела, а как понять какие материалы идут? Установку внутр.блоков брала по 20-06-019-09.
Насколько я поняла работа по монтажу обвязки заложена в этой же расценке. Но вот какие конкретно материалы и сколько их не пойму. При этом в спецификации и трубы есть, и дренаж и изоляция.

Схема прилагается

Спецификация тоже. Не пойму, что подразумевали под обвязкой.
Прикрепления: 4740665.jpg (73.8 Kb) · 5585118.jpg (169.4 Kb)
 
vladnikДата: Понедельник, 16.06.2014, 13:09 | Сообщение # 75
Ценовой инженер
СПб-ЛО
Награды:
285  
Группа: Проверенные
Город: СПб-ЛО
Сообщений: 14460
Репутация: 349
Статус: Offline
В вашей спеке на ШТ.- КОМПЛЕКТОМ.. подбираете по прайсу.
 
Поиск:

Сервисы



Телеграмм чат


Администратор
icq: 264-585-675
e-mail: andreyka_s@list.ru
web: www.semushin.name


Согласно п. 4.5 Правил Сметного портала запрещено размещение материалов попадающих под действие Статьи 1259 и Статьи 1270 ГК РФ, на которые распространяются авторские права правообладателя, без согласования с ним. В случае обнаружения материалов нарушающих права правообладателя просим сообщить через форму обратной связи.
Семушин А.А.
Яндекс.Метрика